Categories

Browse Categories

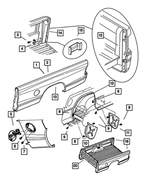
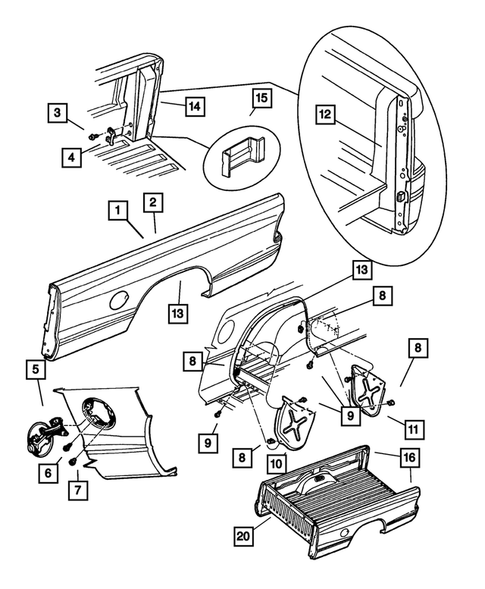
Quarter Panel and Pillar for 2004 Dodge Dakota

Quarter Panel and Pillar for 2004 Dodge Dakota #0
No.
Part # / Description / Price
N/A
Push Pin
MSRP $9.30
$6.72
Mopar Mopar

Retainer

M6.3X22.80. RR WHEEL LINER TO SPLASH SHIELD

6
Tapping Screw
MSRP $11.65
$8.41
Mopar Mopar

M6x1x20. Front Box Panel To Outer Side Panel

10
Splash Shield, Front, Left
Mopar Mopar

Splash Shield, Front Left

Rear Wheel Opening

10
Splash Shield, Front, Right
Mopar Mopar

Splash Shield, Front Right

Rear Wheel Opening